• Welcome to Diskuse2 Elektrika.cz. Please login or sign up.
 
02.03.2026, 16:32

News:

              PROSÍME VŠECHNY UŽIVATELE, PŘED POUŽITÍM DISKUSÍ ČTĚTE MÍSTNÍ PRAVIDLA! ZDE ...!


Ako spínať indukčnú záťaž 24V=?

Started by Ján Mátik, 02.12.2009, 11:22

previous topic - next topic

Fuk Tomáš

Quote from: dolac on 03.12.2009, 21:49
To máte pravdu. Ak sa nemýlim, ak nie všetky, tak skoro všetky výkonové Mosfety majú zabudovanú ochrannú diódu, ale prečo zohrievať číp tranzistora? Krátke a veľmi vysoké prudké zvýšenie vnútornej teploty čípu Mosfetu  je jedna z častých príčin jeho poškodenia. Chladič tranzistora sa pritom nemusí vôbec zohriať.


Asi jsem nějak mimo. V přiloženém obvodu přece není interní dioda v FETu žádným proudem namáhána, ne?
Když vím, rád poradím: fyzika, elektronika, IT, ale i obchod a právo. Když nevím, ptám se anebo držím ústa.

Jen ten, kdo něčemu stoprocentně rozumí, to dokáže vysvětlit tak, aby tomu nikdo jiný nerozuměl. (Murphy)

Ján Mátik

Vazeny pan Kurka,

dakujem za rozsiahly popis, prilozene materialy si prestudujem a zvazim viacere moznosti.

Nakoniec to asi ostane na 24V cievkach a SSR, bude to najschodnejsie riesenie.

Co sa tyka spominaneho IPS 521 od IRF, vyzera to zaujimavo. Neviete nahodou, kde by sa dal zohnat, pripadne aka by mohla byt priblizna cena? Dakujem.

Dakujem aj ostatnym za uzitocne podnety, ocividne tato tema nie je jednoducha a jednoznacna :)

Martin Kurka

TO: kolegové Fuk, Dolac
Quote from: Fuk Tomáš on 03.12.2009, 22:35
Asi jsem nějak mimo. V přiloženém obvodu přece není interní dioda v FETu žádným proudem namáhána, ne?

Máte pravdu oba. Pokud není zhášecí dioda přes cívku rychlá, tak než se v ní probudí minoritní a majoritní nosiči, schytá první největší nápor rychlá Schottkyho dioda ve FETu.

TO: pan Mátik
Asi máte Internet, že?  ;) Takže pro příště doporučuji si zadat do děda Vševěda Googla  "cena IPS521". V Čechách vylezou e-shopy Starmans a Alfatronic s kusovou cenou kolem 100Kč.
http://www.semic-shop.cz/semic-shop-cz/eshop/1-1-polovodice/112-4-high-side-diskretni/5/100007724-IPS521
http://www.rs-components.cz/zbozi.php?num_all=668&POCETMAX=450&Trideni=JmenoZbozi&KID=171
Dá se to koupit ve větších baleních i přímo od IR.
Nezapomeňte, že dělají i typy pro jiná napětí a proudy, které mohou být pro vás výhodnější, nebo dostupnější.
Quote from: Ján Mátik on 04.12.2009, 11:18
Nakoniec to asi ostane na 24V cievkach a SSR, bude to najschodnejsie riesenie.

A hlavně nejrozumnější a pokud to nebudete vyrábět velkosériově, tak i dlouhodobě nejlacinější.  Jinak se můžete stát součástí zařízení a doživotním údržbářem, jako Hanuš na orloji. SSR v patici na DIN liště si vymění každý údržbář, který umí číst.
Nikdy není dost času,aby se to udělalo dobře. Ale pak je dost času, aby se to udělalo znovu

Teorie=vše víme ale nic nefunguje
Praxe=vše funguje a nevíme proč
Teorie spojena s praxí=nic nefunguje a nikdo neví proč

Vysoce odborných omylů se dopouští jen specialisté

Ďábel je skryt v detailu

Jan Kelbich

Quote from: Martin Kurka on 04.12.2009, 12:01
TO: kolegové Fuk, DolacMáte pravdu oba. Pokud není zhášecí dioda přes cívku rychlá, tak než se v ní probudí minoritní a majoritní nosiči, schytá první největší nápor rychlá Schottkyho dioda ve FETu.

Ano, ale bude to (alespoň primárně) nápor napětí, ne proudu. Schottkyho dioda ve FET je totiž vzhledem k impulsu z cívky relé polarizována v závěrném směru.
Takže, pokud neudrží napětí impulsu - což je dost možné, při tak rychlém odpojení indukční zátěže - prorazí se, násleně projde proud (ten bude odpovídat, alespoň řádově, proudu cívky těsně před rozpojením) a uvolní se výkon dostatečný na zničení diody ve FET.
Digital IC design engineer, zajímací se též o silovou elektrotechniku

Fuk Tomáš

Quote from: Martin Kurka on 04.12.2009, 12:01
TO: kolegové Fuk, DolacMáte pravdu oba. Pokud není zhášecí dioda přes cívku rychlá, tak než se v ní probudí minoritní a majoritní nosiči, schytá první největší nápor rychlá Schottkyho dioda ve FETu.

Však taky proto jsem kdesi vpředu psal, že ta zhášecí dioda je potřeba rychlá, Schottkyho.

Trochu mě zmátlo, že mezinárodní distributor Farnell ten IPS521 vyřadil ze své nabídky, což by mohlo naznačovat nahrazení něčím jiným. Ale také to nemusí znamenat vůbec nic.

Quote from: Jan Kelbich on 04.12.2009, 12:28
Ano, ale bude to (alespoň primárně) nápor napětí, ne proudu. Schottkyho dioda ve FET je totiž vzhledem k impulsu z cívky relé polarizována v závěrném směru.
Takže, pokud neudrží napětí impulsu - což je dost možné, při tak rychlém odpojení indukční zátěže - prorazí se, násleně projde proud (ten bude odpovídat, alespoň řádově, proudu cívky těsně před rozpojením) a uvolní se výkon dostatečný na zničení diody ve FET.

Však také v data sheetu bývá dokonce uvedeno, jak silný opakovatelný/neopakovatelný lavinový průraz to snese.
Když vím, rád poradím: fyzika, elektronika, IT, ale i obchod a právo. Když nevím, ptám se anebo držím ústa.

Jen ten, kdo něčemu stoprocentně rozumí, to dokáže vysvětlit tak, aby tomu nikdo jiný nerozuměl. (Murphy)

Martin Kurka

Quote from: Jan Kelbich on 04.12.2009, 12:28
Ano, ale bude to (alespoň primárně) nápor napětí, ne proudu. Schottkyho dioda ve FET je totiž vzhledem k impulsu z cívky relé polarizována v závěrném směru.
Takže, pokud neudrží napětí impulsu - což je dost možné, při tak rychlém odpojení indukční zátěže - prorazí se, násleně projde proud (ten bude odpovídat, alespoň řádově, proudu cívky těsně před rozpojením) a uvolní se výkon dostatečný na zničení diody ve FET.

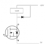
Děkuji, tak je to přesné, jde o lavinový proud v závěrném směru, protože jinudy než přes závěrný směr diody nebo FETu ten proud projít nemůže a tak tudy projít musí. Situace je o to nepříznivější, že se k indukovanému napětí cívky přičítá napětí zdroje. Překreslil jsem to z hlediska reálného zapojení, neboť ve strojních zařízeních je jedna strana cívky ukostřená na (-) zdroje a spíná se z (+) pólu na spotřebič. Vpravo je situace, kdy pomalá dioda ještě nevede indukovaný proud.

Z toho plyne poučení, že nezhášená cívka je vražda a cívka zhášená normální a ne rychlou diodou je kvalifikovaný pokus o vraždu polovodiče.

Nikdy není dost času,aby se to udělalo dobře. Ale pak je dost času, aby se to udělalo znovu

Teorie=vše víme ale nic nefunguje
Praxe=vše funguje a nevíme proč
Teorie spojena s praxí=nic nefunguje a nikdo neví proč

Vysoce odborných omylů se dopouští jen specialisté

Ďábel je skryt v detailu

dolac

Quote from: Fuk Tomáš on 03.12.2009, 22:35
Asi jsem nějak mimo. V přiloženém obvodu přece není interní dioda v FETu žádným proudem namáhána, ne?

Pokiaľ sa nemýlim, tak interná dióda tranzistoru nie je ani tak obyčajná rýchla dióda, ale je to transil. Veď aj značku má podobnú. Preto aj ten parameter: "Single Pulse Avalanche Energy resp. Repetitive Avalanche Energy"
Tým že použijete externý transil, jednak zvýšite túto energiu a jednak šetrite tranzistor. Transil sa vyznačuje tým, že dokáže vo veľmi krátkom čase pohltiť obrovský výkon, ale energia je tu obmedzená. Preto aj ten parameter. Prúd naakumulovaný v indukčnosti sa samozrejme vybije do diódy paralelnej s ind., ale treba si uvedomiť, že žiadná cievka nie je idealná indukčnosť, ale má aj kapacitu a preto pri je spínaní vznikajú kmitajúce prechodné deje a napätie na tranzistore by mohlo prekročiť medznú hodnotu a došlo by k prierazu.     

Fuk Tomáš

Quote from: dolac on 04.12.2009, 21:47
Pokiaľ sa nemýlim, tak interná dióda tranzistoru nie je ani tak obyčajná rýchla dióda, ale je to transil. Veď aj značku má podobnú. Preto aj ten parameter: "Single Pulse Avalanche Energy resp. Repetitive Avalanche Energy"
Tým že použijete externý transil, jednak zvýšite túto energiu a jednak šetrite tranzistor....

Rozumím. Externím transilem pochytám ty nejrychlejší špičky a parazitní kmity, hlavní porci energie pak zlikviduji jinde.
------------------------------------------------------------------------
Když si porovnám
IRF3205 Repetitive Avalanche Energy ................................................ 0,02 J
absorbovatelná energie krátkého pulsu (<1ms) v 1,5kW transilu......... 1,5 J
energie magnetického pole ventilu 24V/6A .......odhadem.............jednotky J

tak mi vychází, že hlavní porci té energie nastřádané ve vypínané indukčnosti je třeba zmařit v ohmech té cívky (případně varistoru, odrušovacím RC členu).
Když vím, rád poradím: fyzika, elektronika, IT, ale i obchod a právo. Když nevím, ptám se anebo držím ústa.

Jen ten, kdo něčemu stoprocentně rozumí, to dokáže vysvětlit tak, aby tomu nikdo jiný nerozuměl. (Murphy)

dolac

Quote from: Fuk Tomáš on 04.12.2009, 22:31
Rozumím. Externím transilem pochytám ty nejrychlejší špičky a parazitní kmity, hlavní porci energie pak zlikviduji jinde.
------------------------------------------------------------------------
Když si porovnám
IRF3205 Repetitive Avalanche Energy ................................................ 0,02 J
absorbovatelná energie krátkého pulsu (<1ms) v 1,5kW transilu......... 1,5 J
energie magnetického pole ventilu 24V/6A .......odhadem.............jednotky J

tak mi vychází, že hlavní porci té energie nastřádané ve vypínané indukčnosti je třeba zmařit v ohmech té cívky (případně varistoru, odrušovacím RC členu).


Pochopil ste to veľmi správne, o tom to je. 

Jan Lukáš

Quote from: Martin Kurka on 04.12.2009, 13:57
Děkuji, tak je to přesné, jde o lavinový proud v závěrném směru, protože jinudy než přes závěrný směr diody nebo FETu ten proud projít nemůže a tak tudy projít musí. Situace je o to nepříznivější, že se k indukovanému napětí cívky přičítá napětí zdroje. Překreslil jsem to z hlediska reálného zapojení, neboť ve strojních zařízeních je jedna strana cívky ukostřená na (-) zdroje a spíná se z (+) pólu na spotřebič. Vpravo je situace, kdy pomalá dioda ještě nevede indukovaný proud.

Z toho plyne poučení, že nezhášená cívka je vražda a cívka zhášená normální a ne rychlou diodou je kvalifikovaný pokus o vraždu polovodiče.




Ano souhlasím, proto se  k té diodě dává ještě paraelně kondenzátor. Tím se vyřeší spousta problémů, jednak odpojení cívky není tak drastické, jednak kondenzátor dělá zátěž, respektive drasticky omezí strmost a konečnou velikost napětí.  (dance)

Pavel Král Gargula

05.04.2016, 14:11 #28 Last Edit: 07.04.2016, 23:06 by Miroslav Minařík
Quote from: Ján Mátik on 02.12.2009, 19:55
Napriek tomu budem veľmi rád, ak mi niekto poradí, ako spínať elmag. ventil vlastným zapojením bez použitia drahších SSR.

       Na AMPÉRu 2016 byly uvedeny na trh elektronické moduly - výkonové spínače 24 VDC do 15 A. Ztrátový výkon - teplo je odváděno vodiči napojenými na svorky modulu. Některé jsou galvanicky neoddělené a jiné galvanicky oddělené (opticky nebo transformátorkem s izolační pevností 1500 VDC). Cena galvanicky neoddělených se pohybuje kolem 200,- Kč/ks bez DPH.
      Moduly jsou vestavěny do jednopatrové řadové svorky se čtyřmi třmeny. Modul s galvanickým oddělením neumožňuje vestavění ochranné diody. Proto při použití tohoto modulu je třeba paralelně ke spínané cívce zapojit externí ochrannou diodu.
   

Jan Budai

QuoteA bez transformátoru pro ventily dnes strojní zařízení nelze udělat.

Z jakého důvodu nelze zapojit ventily na 230V bez oddělovaciho transformátoru?

Čestmír Kubáček

pánové opravte mě, jestli se pletu, ale není patice na finder relé velikosti jednoho modulu v rozvaděči ? pokud ano tak proč se nebavíme o silové náhradě ? http://www.gme.cz/pomocne-rele-vs116k-230-24-cervena-p634-594 , spínaná část je omezena proudem, chápu, že může být zmatek při použití stejnosměrné složky s rozepínáním kontaktů, ale zatím nemám problém - v malých předmontážích 12V /5A - zkoušky autožárovek - s tím, že by nerozeplo a to je poměrně často v provozu.